
NEDERLANDS FOTOMUSEUM PAKHUIS SANTOS ROTTERDAM
Architect: Renner Hainke Wirth Zirn Architekten & WDJArchitecten │ Opdrachtgever: Burgy Bouwbedrijf│ Beelden: Renner Hainke Wirth Zirn Architekten & WDJArchitecten │ Realisatie: 2023 │ Fotografie: Hans Wilschut
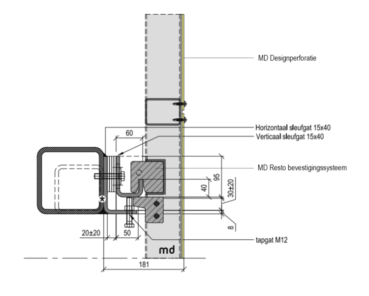
Product: MD Designperforatie
Materiaal: Aluminium
Type: MD DE140
Hoeveelheid: 2.192 m²
Oppervlaktebehandeling en kleur: Anodiseren 20 µm, VB6 A20 AluGold 01 (Champagne)
Uitvoering: MD Designperforatie panelen worden als prefab-elementen geleverd op de bouwplaats. Om deze gevel te bevestigen, hebben we gebruikgemaakt van twee typen bevestigingssystemen: het MD Verti systeem en het MD Resto systeem. Onze assemblage voorzag frames met een breedte van 2,4 meter en de hoogte gelijk aan de gevelhoogte, tot 8,5 meter. Deze panelen zijn bevestigd aan de frames met behulp van ons bevestigingssysteem DEV111.
Gouden kroon op historisch erfgoed
Pakhuis Santos in Rotterdam, gebouwd in 1901-1902, is een voormalig koffiepakhuis en heeft de status van rijksmonument. Het pand is gerestaureerd en is vanaf de tweede helft van 2025 het nieuwe onderkomen van het Nederlands Fotomuseum. Metadecor heeft met MD Designperforatie een moderne aluminium optopping gerealiseerd in de vorm van een kroon die boven het gebouw lijkt te zweven. Deze toevoeging geeft het pand een eigentijdse touch en zorgt voor een innovatieve uitstraling, in harmonie met de historische gevel.

Transformatie van een pakhuis
In eerste instantie zou het Duitse designwarenhuis Stilwerk intrekken in Pakhuis Santos. In 2023 heeft echter het Nederlands Fotomuseum het pand tijdens de verbouwingsfase aangekocht. De restauratie en verbouwing van het pand vonden plaats naar ontwerp van Renner Hainke Wirth Zirn Architekten uit Hamburg en WDJArchitecten uit Rotterdam. Het monumentale gebouw van acht verdiepingen biedt nu ruimte aan tentoonstellingsruimtes, een museumwinkel, een bibliotheek, een educatiecentrum, gemeenschappelijke ruimtes, een café en een dakrestaurant met een panoramisch uitzicht op de Rotterdamse skyline.
Het ontwerp van de perforatie en de aluminium panelen is parametrisch vormgegeven, waardoor een vlak paneel een dynamische textuur verbeeld. Achter de gevel is veel glas toegepast. In het ontwerp van de gevel is rekening gehouden met privacy en zonwering, wat bijdraagt aan de klimaatbeheersing in het gebouw. Door de afstand tussen het glas en de MD Designperforatie gevel ontstaat een luchtstroom die warme lucht afvoert. Dit zorgt voor natuurlijke ventilatie.

Een spel van driehoeken
De ‘huid’ van de kroon is ontworpen als een semi-transparante, geperforeerde aluminium huid. Het patroon is in nauwe samenwerking met de architect ontwikkeld. Het ontwerp is gebaseerd op een driehoekige perforatie, in variërende afmetingen over het gebouw verspreid. Deze variatie levert een tweede patroon op, waarbij op subtiele wijze grotere driehoeken zichtbaar worden in de gevels. Het patroon en de achterliggende constructie zijn zeer precies op elkaar afgestemd, om maximale transparantie te combineren met minimale zichtbaarheid van de achterliggende structuur.
Inspiratie

Pixel
Patroon 
Slimme voorbereiding, strakke uitvoering
De panelen met de meeste open en gesloten perforatie zijn vooraf in een proefopstelling op schaal 1:1 getest. Hierbij werd zowel op sterkte als op doorbuiging gecontroleerd. De testen zijn met goed gevolg afgebroken bij 150% van de maximaal te beoordelen belasting.
In het montageproces is veel aandacht besteed aan een goede basis. We hebben zo veel mogelijk intelligentie in de bevestigingsbeugels gebracht. Deze zijn allemaal vanaf een steiger en met behulp van total station maatvoering op de aanwezige staalconstructie aangebracht. Dankzij deze nauwkeurige plaatsing konden de grote prefab-elementen snel en efficiënt op de dakopbouw worden gehesen en gemonteerd. Dankzij de Metadecor element systemen kunnen we hoogwaardige en opvallende gevels realiseren, zelfs op uitdagende locaties.
De gouden kroon is als het ware het gebouw ingetrokken, doordat de bovenste etage van het atrium midden in het gebouw ook met dezelfde gouden panelen is bekleed. Als ware eyecatcher is de vrij hangende trap op de 6e etage, die dwars door het atrium loopt, ook met dezelfde gouden panelen ingepakt.










